| Šířka napříč bytovými plochami pro matici šestiúhelníku a používání zemí | ||
| Šířka | 21 | Spojené království a společenství národů |
| Šířka | 22 | USA, Německo a některé eurepejské země |
| Šířka | 23 | Austrálie |
| Šířka | 19 | Japonsko, Jižní Korea a některé země jihovýchodní Asie |
|
| Bolt dia. | Šířka přes byty | Výška | Šířka přes byty | Výška | Šířka přes byty | Výška |
| HEXAGON NUT | 1/2 ' | S21 | H11 | S22 | H11 | S23 | H11 |
| HEXAGON NUT |
| SF21 | H14 | SF22 | H14 | SF23 | H14 |
| HEXAGON NUT |
| SF21 | H19 | SF22 | H19 | SF23 | H119 |
| HEXAGON NUT |
| S21 | H15 |
|
|
|
|
| HEXAGON NUT | M14 | S22 | H11 | S23 | H11 |
|
|
| HEXAGON NUT |
| SF22 | H14 | SF23 | H14 |
|
|
| HEXAGON NUT |
| SF22 | H19 | SF23 | H119 |
|
|
| HEXAGON NUT | M12 | SF19 | H9 |
|
|
|
|
| Matice křídla | 1/2 |
|
|
|
|
|
|
|
| Dia. | Efektivní délka / délka šroubu | Použití |
|
T-Bolt | 1/2 | 75-88 | Spojené království a společenství národů |
| M14 | 75-87 | USA, Německo a některé eurepejské země | |
| M14 | 98-110 | USA, Německo a některé eurepejské země | |
|
Oční šroub | 1/2 | 67-86 | Spojené království a společenství národů |
| M12 | 57-73 | Spojené království a společenství národů | |
| M14 | 70-90 | USA, Německo a některé eurepejské země | |
| Rozdělující se konec | 1/2 | 45-82 | Pro Putlog Coupler, BRC atd. |
|
Kočár šroub |
1/2 | 116-125 |
Pro vnější svorku trubice, univerzální svorku atd. |
| 85-92 | |||
| Hexagon Bolt | M16 | 72-80 | Pro nosníku, DF kloubový kolík |
| Plochý T-Bolt | 1/2 | 66-76 | Pro italské vazby |
|
| Tloušťka | Vnitřní / vnější průměr. |
|
Podložka | 3.5 | 13-26 |
| 5 | 13-26 |
| Dvojnásobek | Otočný spojku | ||
| 48.3*34 | 48.3*34 | 34*34 | 34*38 |
| 48.3*38 | 48.3*38 | 38*38 | 38*42 |
| 48.3*42 | 48.3*42 | 42*42 | 42*60 |
| 48.3*48.3 | 48.3*48.3 | - | - |
| 48,3*60 | 48,3*60 | 60*60 | 60*76 |
| 48.3*76 | 48.3*76 | 76*76 | 86*89 |
| - | 48.3*89 | 89*89 | - |
| Žádný. | Testovací položka | Testovací metoda | Výsledek | Závěr |
| 1 | Sklouznutí síly | EN 74-1: 2022 Ustanovení 7.2.1 | Viz Výsledek | Přihrávka |
| 2 | Síla selhání | EN 74-1: 2022 Ustanovení 7.2.2 | Viz Výsledek | Přihrávka |
| 3 | Tahací síla | EN 74-1: 2022 Ustanovení 7.3 | Viz Výsledek | Přihrávka |
| 4 | Cruciform Bending Ztuhlost a ohýbání křížení konečný okamžik | EN 74-1: 2022 Ustanovení 7.4.1 | Viz Výsledek | Přihrávka |
| 5 | Rotační moment a tuhost | EN 74-1: 2022 Ustanovení 7.4.2 | Viz Výsledek | Přihrávka |
| Testovací položka | Výsledek testu | Požadavek na EN 74-1: 2022 Tabulka 8 | Závěr |
| Sklouznutí síly | △ 1 <7 mm, FS, 5% = 20,9 kN | △ 1 <7 mm, FS, 5%≥ 10,0 kN | Přihrávka |
| 1 mm <△ 2 <2 mm, FS, 5% = 25,0 kN | 1 mm <△ 2 <2 mm, FS, 5% ≥15,0 kN |
| Vzorek č. | FS (KN, △ 1 = 7 mm) | FS (KN, 1mm <△ 2 <2 mm) |
| 1 | 22.18 | 26.59 |
| 2 | 23.06 | 26.35 |
| 3 | 21.97 | 25.88 |
| 4 | 23.14 | 27.06 |
| 5 | 22.85 | 26.37 |
| 6 | 22.91 | 27.42 |
| 7 | 24.45 | 28.36 |
| 8 | 23.66 | 27.42 |
| 9 | 21.73 | 25.62 |
| 10 | 21.51 | 26.03 |
| FS, 5% | 20.9 | 25.0 |
| Testovací položka | Výsledek testu | Požadavek na EN 74-1: 2022 Tabulka 8 | Závěr |
| Síla selhání | FF, 5%/yr2 = 57,6 kN | FF, 5%/γr2 ≥ 30,0 kN | Přihrávka |
| Vzorek č. | FF (KN) |
| 11 | 74.71 |
| 12 | 77.54 |
| 13 | 78.62 |
| 14 | 75.31 |
| 15 | 79.85 |
| FF, 5%/yr2 | 57.6 |
| Testovací položka | Výsledek testu | Požadavek na EN 74-1: 2022 Tabulka 8 | Závěr |
| Tahací síla | FP, 5%/γr2 = 48,9KN | FP, 5%/γr2 ≥ 30,0 kN | Přihrávka |
| Vzorek č. | FP (KN) |
| 16 | 66.85 |
| 17 | 71.96 |
| 18 | 64.27 |
| 19 | 69.83 |
| 20 | 67.24 |
| FP, 5%/yr2 | 48.9 |
| Testovací položka | Výsledek testu | Požadavek v EN 74 1: 2022 Tabulka 8 | Závěr |
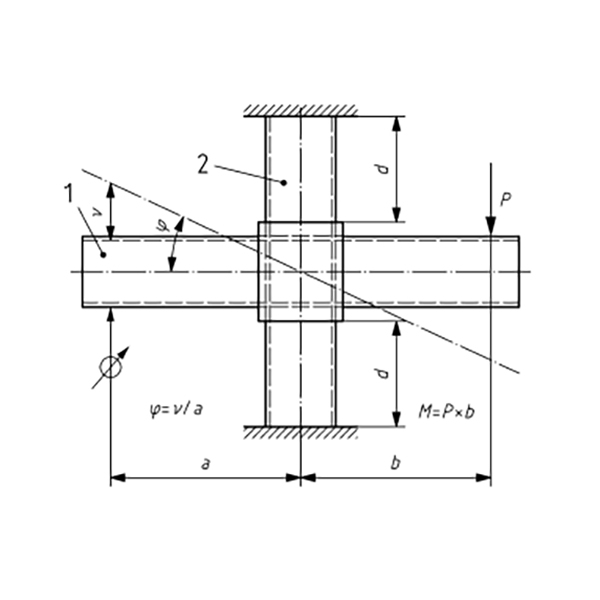
| Cruciform Bending Ztuhlost a ohýbání křížení konečný okamžik | MB/1,65 = 0,48 kNM, C1 = 28,9 kNM/Rad | MB/1,65 = 0,48 kNM, C1≥15,0kNM/RAD | Přihrávka |
| MB = 0,8 kNM, C2 = 7,5 kNM/Rad | MB = 0,8 kNM, C2≥6,0KNM/RAD | ||
| Mult, 5%= 1,6 kNM | Mult, 5%≥1,6 kNM |
| Vzorek č. | C1 (KNM/RAD, MB/1,65 = ± 0,48KNM) | C2+ (KNM/RAD, MB = 0,8 kNM) | C2- (KNM/RAD, MB = -0,8KNM) | Mult (KNM) |
| 26 | 29.35 | 8.07 | - | 1.61 |
| 27 | 30.96 | 7.59 | - | 1.63 |
| 28 | 29.75 | 8.45 | - | 1.60 |
| 29 | 31.43 | 8.08 | - | 1.64 |
| 30 | 24.62 | 8.26 | - | 1.62 |
| 31 | 30.72 | - | 6.45 | 1.59 |
| 32 | 30.52 | - | 6.61 | 1.64 |
| 33 | 25.12 | - | 6.73 | 1.60 |
| 34 | 27.19 | - | 7.74 | 1.61 |
| 35 | 31.56 | - | 7.41 | 1.63 |
| - | C1 = 28,9 | C2 = 7,5 | Mult, 5%= 1,6 | |

| Testovací položka | Výsledek testu | Požadavek na EN 74-1: 2022 Tabulka 8 | Závěr |
| Rotační moment a tuhost | Mt = ± 0,13kNM, Cφ = 61,5knm/rad | Mt = ± 0,13KNM, Cφ≥7,5knm/Rad | Přihrávka |
| 1 ° ≤ θ 2 °, mt, 5%= 0,51 kkm | 1 ° ≤ θ 2 °, mt, 5%≥0,13KNM |
| Vzorek č. | Cφ (KNM/RAD, MT = ± 0,13KNM) | MT (KNM, 1 ° ≤θ≤2 °) |
| 21 | 61.29 | 0.576 |
| 22 | 61.73 | 0.647 |
| 23 | 59.38 | 0.545 |
| 24 | 63.09 | 0.597 |
| 25 | 62.17 | 0.618 |
| - | Cφ = 61,5 | MT, 5%= 0,51 |
Za normálních okolností je obtížné dosáhnout třídy B, ale dosáhli jsme
| Žádný. | Testovací položka | Testovací metoda | Výsledek | Závěr |
| 1 | Sklouznutí síly | EN 74-1: 2022 Ustanovení 7.2.1 | Viz Výsledek | Přihrávka |
| 2 | Síla selhání | EN 74-1: 2022 Ustanovení 7.2.2 | Viz Výsledek | Přihrávka |
| Testovací položka | Výsledek testu | Požadavek na EN 74-1: 2022 Tabulka 8 | Závěr |
| Sklouznutí síly | △ 1 <7 mm, FS, 5% = 10,7 kN | △ 1 <7 mm, FS, 5%≥ 7,0 kN | Přihrávka |
| Fs = 20,0 kN, △ 2 <1 mm | 1 mm <△ 2 <2 mm, FS, 5% ≥ 10,0 kN |
| Vzorek č. | FS (KN, △ 1 = 7 mm) | FS (KN, 1mm <△ 2 <2 mm) |
| 1 | 11.81 | Fs = 20,0 kN, △ 2 <1 mm |
| 2 | 13.47 | Fs = 20,0 kN, △ 2 <1 mm |
| 3 | 12.53 | Fs = 20,0 kN, △ 2 <1 mm |
| 4 | 11.04 | Fs = 20,0 kN, △ 2 <1 mm |
| 5 | 12.58 | Fs = 20,0 kN, △ 2 <1 mm |
| 6 | 12.39 | Fs = 20,0 kN, △ 2 <1 mm |
| 7 | 13.07 | Fs = 20,0 kN, △ 2 <1 mm |
| 8 | 11.21 | Fs = 20,0 kN, △ 2 <1 mm |
| 9 | 12.62 | Fs = 20,0 kN, △ 2 <1 mm |
| 10 | 11.87 | Fs = 20,0 kN, △ 2 <1 mm |
| FS, 5% | 10.7 | - |
| Testovací položka | Výsledek testu | Požadavek na EN 74-1: 2022 Tabulka 8 | Závěr |
| Síla selhání | FF, 5%/yr2 = 39,8 kN | FF, 5%/yr2 ≥14,0 kN | Přihrávka |
| Vzorek č. | FF (KN) |
| 11 | 52.05 |
| 12 | 57.56 |
| 13 | 54.36 |
| 14 | 57.69 |
| 15 | 57.75 |
| FF, 5%/yr2 | 39.8 |
| Žádný. | Testovací položka | Testovací metoda | Výsledek | Závěr |
| 1 | Sklouznutí síly | EN 74-1: 2022 Ustanovení 7.2.1 | Viz Výsledek | Přihrávka |
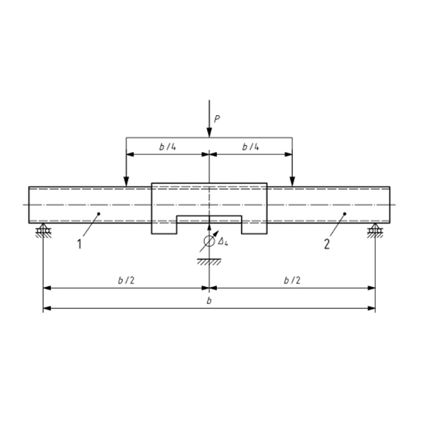
| 2 | Ohýbání okamžik | EN 74-1: 2022 Ustanovení 7.4.3 | Viz Výsledek | Přihrávka |
| Testovací položka | Výsledek testu | Požadavek na EN 74-1: 2022 Tabulka 8 | Závěr |
| Sklouznutí síly | Fs = 18,0 kN, △ 2 < 1 mm | 1 mm <△ 2 <2 mm, FS, 5% ≥ 9,0 kN | Přihrávka |
| Vzorek č. | FS (KN, 1mm <△ 2 <2 mm) |
| 1 | Fs = 18,0 kN, △ 2 < 1 mm |
| 2 | Fs = 18,0 kN, △ 2 < 1 mm |
| 3 | Fs = 18,0 kN, △ 2 < 1 mm |
| 4 | Fs = 18,0 kN, △ 2 < 1 mm |
| 5 | Fs = 18,0 kN, △ 2 < 1 mm |
| 6 | Fs = 18,0 kN, △ 2 < 1 mm |
| 7 | Fs = 18,0 kN, △ 2 < 1 mm |
| 8 | Fs = 18,0 kN, △ 2 < 1 mm |
| 9 | Fs = 18,0 kN, △ 2 < 1 mm |
| 10 | Fs = 18,0 kN, △ 2 < 1 mm |
| FS, 5% | - |
| Testovací položka | Výsledek testu | Požadavek na EN 74-1: 2022 Tabulka 8 | Závěr |
| Ohýbání okamžik | MB = 2,8 kNM, vzorek byl nepřerušený | MB, 5% ≥1,4 kNM | Přihrávka |
| Vzorek č. | MB (KNM) |
| 11 | MB = 2,8 kNM, vzorek byl nepřerušený |
| 12 | MB = 2,8 kNM, vzorek byl nepřerušený |
| 13 | MB = 2,8 kNM, vzorek byl nepřerušený |
| 14 | MB = 2,8 kNM, vzorek byl nepřerušený |
| 15 | MB = 2,8 kNM, vzorek byl nepřerušený |
| MB, 5% | MB = 2,8 kNM, vzorek byl nepřerušený |
| Žádný. | Testovací položka | Testovací metoda | Výsledek | Závěr |
| 1 | Sklouznutí odporu | BS 1139-2.2: 2009+A1: 2015 Ustanovení 7.2 a příloha A.2 | Viz Výsledek | Přihrávka |
| Testovací položka | Výsledek testu | Požadavek v BS 1139 2.2: 2009+A1: 2015 Ustanovení 7.2 | Závěr |
| Sklouznutí odporu | 1 mm <△ 2 <2 mm, FS, 5% = 1,13 kN | 1 mm <△ 2 <2 mm, FS, 5% ≥1,04 kN | Přihrávka |
| Vzorek č. | P (KN) |
| 1 | 2.69 |
| 2 | 1.75 |
| 3 | 1.51 |
| 4 | 2.47 |
| 5 | 1.93 |
| FS, 5% | 1.13 |
| Žádný. | Testovací položka | Testovací metoda | Výsledek | Závěr |
| 1 | Test síly | AS/NZS 1576.2: 2016 Clause 4.7 & DODATEK L | Viz Výsledek | Přihrávka |
| 2 | Proklouzněte test přes svorky příruby | AS/NZS 1576.2: 2016 Clause 4.7 & DODATEK M | Viz Výsledek | Přihrávka |
| 3 | SLUKOVÁ ZKOUŠENÍ SVĚTLOSTI PŘÍSLUŠENSTVÍ podél příruby | AS/NZS 1576.2: 2016 Clause 4.7 & DODATEK N | Viz Výsledek | Přihrávka |
| Testovací položka | Výsledek testu | Požadavek na AS/NZS 1576.2: 2016 Ustanovení 4.7 | Závěr |
| Test síly | P = 30,0 kN, ani přírubová svorka nevykazovala žádnou trvalou sadu | P = 30,0 kN, ani přírubová svorka nezkazí žádnou trvalou sadu | Přihrávka |
| Testovací položka | Test síly |
| Požadavek | P = 30,0 kN, ani přírubová svorka nesmí zobrazovat žádnou trvalou sadu. |
| Výsledky vzoru č ./test | - |
| 1, 2 | Žádná svorka nevykazovala žádnou permanentní sadu. |
| 3,4 | Žádná svorka nevykazovala žádnou permanentní sadu. |
| 5,6 | Žádná svorka nevykazovala žádnou permanentní sadu. |
| 7,8 | Žádná svorka nevykazovala žádnou permanentní sadu. |
| 9,10 | Žádná svorka nevykazovala žádnou permanentní sadu. |
| 11,12 | Žádná svorka nevykazovala žádnou permanentní sadu. |
| Závěr | Přihrávka |
| Testovací položka | Výsledek testu | Požadavek na AS/NZS 1576.2: 2016 Ustanovení 4.7 | Závěr |
| Proklouzněte test přes svorky příruby | P = 12,5 kN, skluz <6 mm | P = 12,5 kN, prokluz ≤ 6 mm | Přihrávka |
| Testovací položka | Proklouzněte test přes svorky příruby |
| Požadavek | P = 12,5 kN, prokluz ≤ 6 mm |
| Vzorek č./Test výsledky | Skluz (mm) |
| 13, 14 | 0.02 |
| 15, 16 | 0.01 |
| 17, 18 | 0.03 |
| 19, 20 | 0.02 |
| 21, 22 | 0.04 |
| 23, 24 | 0.02 |
| Závěr | Přihrávka |
| Testovací položka | Výsledek testu | Požadavek na AS/NZS 1576.2: 2016 Ustanovení 4.7 | Závěr |
| SLUKOVÁ ZKOUŠENÍ SVĚTLOSTI PŘÍSLUŠENSTVÍ podél příruby | P = 12,5 kN, skluz <6 mm | P = 12,5 kN, prokluz ≤ 6 mm | Přihrávka |
| Testovací položka | SLUKOVÁ ZKOUŠENÍ SVĚTLOSTI PŘÍSLUŠENSTVÍ podél příruby |
| Požadavek | P = 12,5 kN, prokluz ≤ 6 mm |
| Vzorek č./Test výsledky | Skluz (mm) |
| 25 | 0.58 |
| 26 | 0.62 |
| 27 | 0.49 |
| 28 | 0.41 |
| 29 | 0.67 |
| 30 | 0.61 |
| 31 | 0.53 |
| 32 | 0.51 |
| 33 | 0.67 |
| 34 | 0.53 |
| 35 | 0.48 |
| 36 | 0.56 |
| Závěr | Přihrávka |
| Žádný. | Testovací položka | Testovací metoda | Výsledek | Závěr |
| 1 | Síla selhání | S odkazem na EN 74-1: 2022 klauzule 7.2.2 | Viz Výsledek | N/a |
| Vzorek č. | Maximální zkušební zatížení (KN) | Režim selhání |
| 1 | 50.23 | Kotevní díra na desce byla rozbitá |
| 2 | 48.57 | Kotevní díra na desce byla rozbitá |
| 3 | 51.59 | Kotevní díra na desce byla rozbitá |
| 4 | 50.64 | Kotevní díra na desce byla rozbitá |
| 5 | 51.17 | Kotevní díra na desce byla rozbitá |
Shrnutí výsledků:
| Žádný. | Testovací položka | Testovací metoda |
| 1 | Síla selhání | S odkazem na EN 74-1: 2005 |
Výsledky testu:
| Testovací položka | Výsledek testu | |||||
| 1# | 3# | 3# | 4# | 5# | FP, 5%/yr2 | |
| Síla selhání (KN) | 42.84 | 38.89 | 43.60 | 42.91 | 40.79 | 29.8 |
| Stažení |
|---|
Copyright © 2016 - 2022 Ek Metalwork Co., Ltd. Všechna práva vyhrazena.
